1. 結構型式
CSZ型水力驅動防爆軸流風機由水輪機、機架、機殼、轉動體和葉輪等組成。水輪機用耐腐蝕銅合金精密造成,機殼用奧氏體不銹鋼焊成。水輪機和轉動體的密封采用機械密封和填料兩層密封。機殼與葉輪間有黃銅制成的安全整體為無火花結構。
CSZ型風機有抽風和送風式結構,兩者不能通用。
2. 適用條件
IIB~IIC級T4~T6組爆炸性混合物氣體的艙室和場所。
環境溫度:-25℃ ~ 55℃
空氣相對濕度:≤95%
周期性搖擺:±22.5℃ ~ 45℃
持續橫傾:±15℃
持續縱傾:±10℃
振動:有
沖擊:有
3. 型號說明

4.通風機使用維護
4.1 通風機安裝前,應檢查各部件是否損壞;配套部件是否齊全;檢查葉輪旋向與機殼旋向標識牌是否一致。
4.2 安裝管道時,應使其與風機進風口自然對正吻接,不得強行連接。管道應有支撐,不允許將管道重量加在風機上。
4.3 風機裝接后,撥動葉輪檢查是否與固定件有摩擦碰撞等現象。如有碰撞、摩擦、噪聲過大或較大振動時,應檢查后再重新啟動。應防止撞擊通風機,不準異物和液體等進入風機內。應及時清除葉輪葉片上的積灰,以免影響平衡增大噪聲。
4.4 風機的維修必須在停車時進行。檢修后重新啟動時,應檢查風機各部件是否處于正常狀態。
4.5 對風機運轉過程中產生的小故障,應查明原因,設法消除;發現較大故障時,必須立即停車,及時檢修。
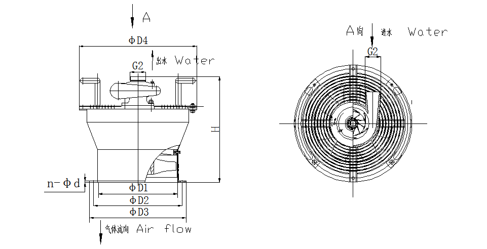
主要性能參數及通用機外形尺寸

| 型 號 | 流 量 m3/h | 靜 壓 Pa | 進水壓力M Pa | 耗水量 m3/h | D1 | D2 | D3 | D4 | H | n-d | 重量 |
| CSZ-300 | 3000~6000 | 260~820 | 0.2~0.5 | 25~43 | 300 | 336 | 366 | 446 | 404 | 8-Ф11 | 30.5 |
| CSZ-380 | 4000~10000 | 380~1020 | 0.2~0.5 | 28~53 | 380 | 416 | 446 | 546 | 546 | 8-Ф11 | 35 |
風機性能曲線圖
